
K3V/K5V SERIES
Displacement
Size(cc/rev)
Pump code
Direction of rotation
RClockwise rotationLCounter Clockwise rotationRegulator Code
SPECIFICATIONS
| Model | Max Displacement | Rated pressure | Max pressure | Max for sell priming(rpm) | Max input toque | Weight | Application | ||||
|---|---|---|---|---|---|---|---|---|---|---|---|
| cc/rew | kgf/cm² | Mpa | kgf/cm² | Mpa | Rated | Max | Kef·M | N·m | kgf | ton | |
| K3V63DT | 63 X 2 | 350 | 34.3 | 400 | 39.2 | 2,650 | 3,250 | 35 | 343.2 | 81 | 13~17 |
| K3V112DT | 112 X 2 | 350 | 34.3 | 400 | 39.2 | 2,360 | 2,700 | 60 | 588.4 | 125 | 20~25 |
| K3V140DT | 140 X 2 | 350 | 34.3 | 400 | 39.2 | 2,150 | 2,500 | 114 | 1118 | 160 | 29~37 |
| K3V180DT | 180 X 2 | 350 | 34.3 | 400 | 39.2 | 1,950 | 2,300 | 114 | 1118 | 160 | 39~45 |
| K5V80DTP | 80 X 2 | 350 | 34.3 | 400 | 39.2 | 2,460 | 3,000 | 54 | 259.6 | 81 | 13~17 |
| K5V140DTP | 140 X 2 | 350 | 34.3 | 400 | 39.2 | 2,160 | 2,500 | 86 | 843.4 | 125 | 29~37 |
| K5V200DTP | 200 X 2 | 350 | 34.3 | 400 | 39.2 | 1,900 | 2,200 | 114 | 1118 | 160 | 39~50 |
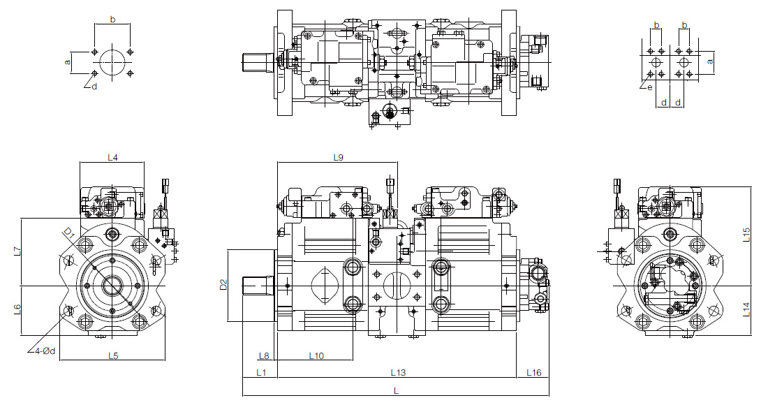
DIMENSONS

SPECIFICATIONS
| Model | D1 | D2 | d | L1 | L2 | L3 | L4 | L5 | L6 | L7 | L8 | L9 | L10 | L11 | L12 | L13 | L14 | L15 | L16 | L |
|---|---|---|---|---|---|---|---|---|---|---|---|---|---|---|---|---|---|---|---|---|
| K3V63DT | 180 | 125 | 18 | 76 | 70 | 70 | 140 | 190 | 89 | 98 | 8 | 228 | 138 | 37 | 37 | 464 | 97 | 198 | 78 | 618 |
| K3V112DT | 224 | 160 | 22 | 78 | 80 | 80 | 140 | 234 | 100 | 110 | 8 | 265 | 167 | 41 | 41 | 538 | 109 | 220 | 78 | 694 |
| K3V140DT | 250 | 180 | 22 | 93 | 92 | 92 | 140 | 256 | 112 | 123 | 8 | 305 | 190 | 53 | 53 | 618 | 121 | 245 | 80 | 791 |
| K3V180DT | 250 | 180 | 22 | 93 | 92 | 92 | 140 | 256 | 112 | 123 | 8 | 305 | 190 | 53 | 53 | 618 | 121 | 245 | 80 | 791 |
| K5V80DTP | 180 | 125 | 18 | 76 | 70 | 70 | 140 | 190 | 89 | 98 | 8 | 228 | 138 | 37 | 37 | 464 | 97 | 198 | 78 | 618 |
| K5V140DTP | 224 | 160 | 22 | 78 | 80 | 80 | 140 | 234 | 100 | 110 | 8 | 265 | 167 | 41 | 41 | 538 | 109 | 220 | 78 | 684 |
| K5V200DTP | 250 | 180 | 22 | 93 | 92 | 92 | 140 | 256 | 112 | 123 | 8 | 305 | 190 | 53 | 53 | 618 | 121 | 245 | 80 | 791 |
FLANGE MOUNTING FACE FOR SUCTION PORT
| Model | a | b | c | d |
|---|---|---|---|---|
| K3V63DT | 50.8 | 89.9 | Ø60 | M12/DP18 |
| K3V112DT | 80.8 | 89.9 | Ø60 | M12/DP18 |
| K3V140DT | 61.9 | 106.4 | Ø76 | M16/DP24 |
| K3V180DT | 61.9 | 106.4 | Ø76 | M16/DP24 |
| K5V80DTP | 50.8 | 89.9 | Ø60 | M12/DP18 |
| K5V140DTP | 50.8 | 89.9 | Ø60 | M12/DP18 |
| K5V200DTP | 61.9 | 106.4 | Ø76 | M16/DP24 |
FLANGE MOUNTING FACE FOR DELIVERY PORT
| Model | a | b | c | d | e |
|---|---|---|---|---|---|
| K3V63DT | 23.8 | 50.8 | Ø19 | 31 | M10/DP16 |
| K3V112DT | 23.8 | 50.8 | Ø19 | 31 | M10/DP16 |
| K3V140DT | 27.8 | 57.2 | Ø25 | 38 | M12/DP22 |
| K3V180DT | 27.8 | 57.2 | Ø25 | 38 | M12/DP22 |
| K5V80DTP | 23.8 | 50.8 | Ø19 | 31 | M10/DP16 |
| K5V140DTP | 23.8 | 50.8 | Ø19 | 31 | M10/DP16 |
| K5V200DTP | 27.8 | 57.2 | Ø25 | 38 | M12/DP22 |
DIMENSLINS OF SHAFT
| Model | No. of teeth | Pitch Circle dia | Pressure angle | Module | Rule |
|---|---|---|---|---|---|
| K3V63DT | 14 | 29.6 | 30º | 12/24 | SAE |
| K3V112DT | 12 | 30 | 20º | 2.5 | JIS D2001 |
| K3V112DT | 14 | 35 | 20º | 2.5 | JIS D2001 |
| K3V140DT | 17 | 42.5 | 20º | 2.5 | JIS D2001 |
| K3V180DT | 17 | 42.5 | 20º | 2.5 | JIS D2001 |
| K5V80DTP | 12 | 30 | 20º | 2.5 | JIS D2001 |
| K5V140DTP | 17 | 42.5 | 20º | 2.5 | JIS D2001 |
| K5V200DTP | 17 | 42.5 | 20º | 2.5 | JIS D2001 |