
SERIES
SIZE
Displacement
71cc77
Control devices
Pressure-andDirection of rotation
ClockwiseReduction
ClockwiseSPECIFICATIONS
| Model | Displacement (m²/rev) | Rated pressure (kgf/cm²) | Rated pressure (kgf/cm²) | Max speed (rpm) | Max input torque (kgf-m) | Application (ton) | ||||
|---|---|---|---|---|---|---|---|---|---|---|
| A1 | A2 | A3 | A1 | A2 | A3 | △p=280bar | ||||
| K10V71 DFR | 71 | - | - | 280 | 156 | - | - | 2200 | 32.5 | 8 |
| K10V71 DFRL | 71 | - | 10 | 280 | 156 | - | 20 | 2200 | 32.5 | 8 |
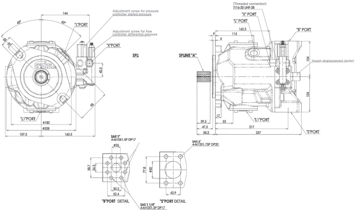
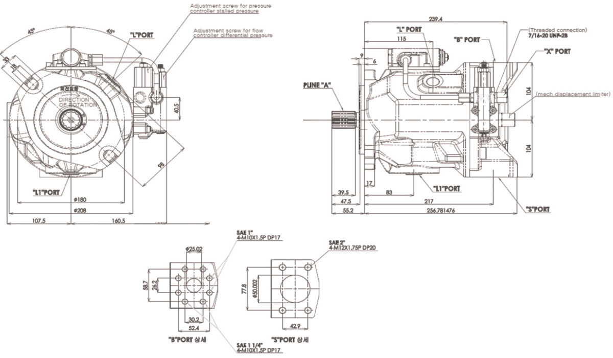
CIRCUIT DIAGRAM

DFR TYPE

DFR TYPE

"A" SPLINE
| No. of teeth | N | 14 |
|---|---|---|
| Module | M | 12/24 |
| Pres.Angle | º | 30º |
| Diameter | d | Ø26.99 |
| Diameter | D | Ø31.22 |
| Type of teeth | - | Flat root side fit |
FLANGE MOUNTING FACE FOR DELIVERY PORT
| Port Size | Description | Port |
|---|---|---|
| B | OUTPUT | SAE 1'' or 1/4'' |
| S | INPUT | SAE 2'' |
| L/L1 | DRAIN | M22 x 1.5P |
| s | PILOT | M14 x 1.5P DP12 |