
KP2D36-GP3

KP2D36-GP4

SPECIFICATIONS
| Model | Displacement (cm²/rev) | Rated Pressure (kgf/cm²) | Flow (l/min) | Max speed ofr self priming (rpm) | Max input torque (kgf-m) | Application (Ton) | |||
|---|---|---|---|---|---|---|---|---|---|
| A1 | A2 | A3 | A4 | ||||||
| KP2D36-GP3 | 37 | 37 | 12.1 | 6.5 | 280 | 74X2 | 2000 | 17.8 | 8 |
| KP2D36-GP4 | 37 | 37 | - | 6.5 | 280 | 74X2 | 2000 | 13.5 | 8 |
CHARACTERISTICS
CIRCUIT DIAGRAM

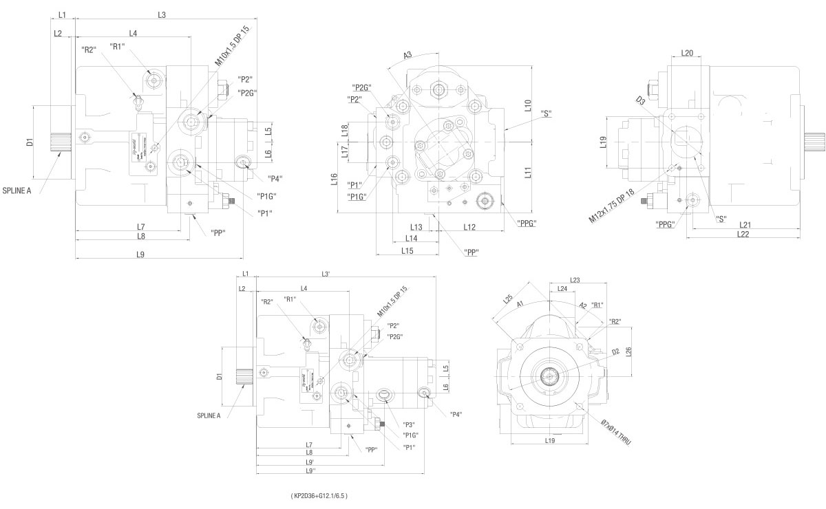
DIMENSIONS

"A" SPLINE
| No. of teeth | N | 14 |
|---|---|---|
| Module | M | 12/24 |
| Pres.Angle | α | 30 |
| Diameter | d | Ø29.633 |
| Diameter | D | Ø31.2 |
| Type of teeth | - | Flat root side fit |
PORT SIZE
| Port Size | Description | Port |
|---|---|---|
| SAE A 2-1/2 | Input port | S |
| PF 3/4 O-ring Type | Output port | P1,P2 |
| PF 3/8 O-ring Type | Drain port | R1 |
| Output port | P4 | |
| PF 4/4 O-ring Type | Output port | PP |
| Gauge port | PPG,P1G,P2G | |
| PF 1/2 O-ring Type | Output port | P3 |
DIMENSIONS
| D1 | D2 | D3 | A1 | A2 | A3 | L1 |
|---|---|---|---|---|---|---|
| Ø127 | Ø181 | Ø55 | 45º | 45º | 35º | 43.2 |
| L2 | L3 | L3' | L4 | L5 | L6 | L7 |
| 7.7 | 315.1 | 385.1 | 200.1 | 35.0 | 35.0 | 128.1 |
| L8 | L9 | L9' | L9'' | L10 | L11 | L12 |
| 198.1 | 290.1 | 274.1 | 360.1 | 133.0 | 123.0 | 113.0 |
| L13 | L14 | L15 | L16 | L17 | L18 | L19 |
| 16.5 | 80.0 | 109.0 | 123.0 | 35.0 | 35.0 | 88.9 |
| L20 | L21 | L22 | L23 | L24 | L25 | L26 |
| 50.8 | 186.1 | 197.1 | 123.0 | 55.0 | 113.6 | 107.0 |