About Company
Overview
CEO Greeting
History
Management Principles
CI
Certification Status
Major Customers
Organization
Location
Business Area
Production Parts
Durability Test
Equipment Status
Production Equipment
Testing Facilities
Measurement Equipment
Patent Status
PR Center
Overseas Marketing
News & Notice
E-Catalog
Promotional Video
Customer Center
Question
On-Line Purchase
Business Area
Business Area
About Company
Business Area
Equipment Status
PR Center
Customer Center
Production Parts
Production Parts
Durability Test
Production Parts
Featured Products
Piston Pump K3V/K5V Series
KP2D25(W)-GP1/KP2D28(W)-GP2
KP2D36
KSD 29/33/43
K10V Series
A10VD43
A10V28
A10VO Series
SGP-110 / LLSN-10
Gear Pump
PTO
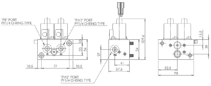
Sol. Valve
EPPR VALVE
Other parts
Sol. Valve