
PART NAME
| No. | Part Name | No. | Part Name |
|---|---|---|---|
| 1 | SHAFT | 2 | VALVE PLATE(REAR) |
| 3 | STOP RING | 4 | WASHER |
| 5 | SPRING. CYL'D BLOCK | 6 | CYLINDER BLOCK |
| 7 | BALL GUIDE(REAR) | 8 | SET PLATE |
| 9 | PISTON ASS'Y | 10 | SHOE PLATE |
| 11 | YOKE | 12 | BALL GUIDE(FRONT) |
| 13 | VALVE PLATE(FRONT) | 14 | PINTLE(R) |
| 15 | TAPER ROLLER BEARING | 16 | PINLE(L) |
| 17 | STOP RING | 18-1 | GEAR PUMP 12cc+10cc |
| 18-2 | GEAR PUMP 12cc |
SPECIFICATIONS
| Model | Displacement (m²/rev) | Rated pressure (kgf/cm²) | Max speed (rpm) | Application (ton) | ||||||
|---|---|---|---|---|---|---|---|---|---|---|
| A1 | A2 | A3 | A3 | A1 | A1 | A3 | A3 | |||
| A10VD43+12cc+10cc | 43 | 43 | 12 | 10 | 220 | 220 | 180 | 50 | 2200 | 5~8 |
| A10VD43+12cc | 43 | 43 | 12 | - | 220 | 220 | 50 | - | 220 | 5~8 |
CHARACTERISTICS


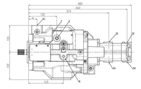
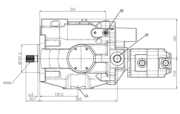
DIMENTIONS


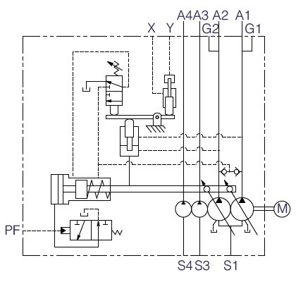
CIRCUOT DIAGRAM

PORT SIZE
| Port Size | Description | Port | Port Size | Description | Port |
|---|---|---|---|---|---|
| A1,A2 | Deilivery port | PF 3/4 | A3 | Gear pump Deilivery port | PF 3/4 |
| A4 | Gear pump Deilivery port | PF 1/2 | S1 | Suction port | SAE 2 |
| S3 | Gear pump suction port | PF 3/4 | S4 | Gear pump suction port | PF 1/2 |
| X | Pilot port | PF 1/4 | Y | Pilot port | PF 3/8 |
| G1,G2 | Gauge port | PF 1/4 | R | Air vent port | PF 1/4 |