
MODEL CODE
| SGP | Piston Pump |
|---|---|
| -100 | Displacement |
| -※ | MODEL TYPE B:Basic / T:Thru Shaft |
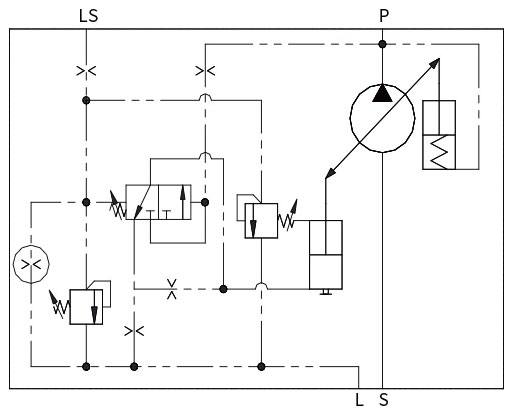
| -LLSN | Controller Type |
| -10 | Design Number |
FEATURES & APPLICATIONS
| Optimized power-to-weight ratio for mobile vehicle |
|---|
| High self-suction speed |
| Thru-shaft for operating additional hydraulic pumps |
| Intended applications |
| Cranes and lifting equipment |
| Truck-mounted concrete pumps |
| Machines for forestry and agricultural purposes |
| Cleaning vehicle |
| Wheeled armored vehicle |
| Power take-off(PTO) of the commercial vehiclePLSSL |
SPECIFICATIONS
| Max. pressure | Geometric displacement | Max. rotation speed | Min. rotation speed | Overall efficiency | Max. drive torque | Weight |
|---|---|---|---|---|---|---|
| 350 bar | 110 cc/rev | 2200 rpm | 500 rpm | 85% or more | 640 Nm | 34 kg(Thru Shaft) |
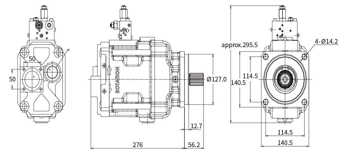
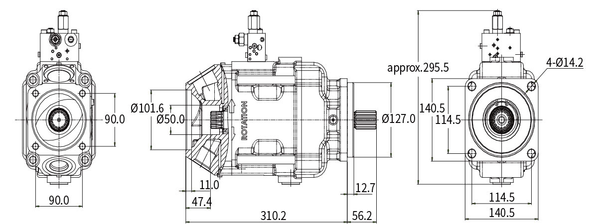
SPECIFICATIONS
BASIC
THRU SHAFT TYPE