
SPECIFICATIONS
| Grade | Unit | H | D | ||
|---|---|---|---|---|---|
| STEERING | ATTATCH | STEERING | ATTATCH | ||
| 300 HP | Displacement (cc/rev) | 60 | 63 | 74 | 74 |
| Pressure (kgf/cm²) | 280 | 280 | 280 | 280 | |
| 400 HP | Displacement (cc/rev) | 110 | 61 | 140 | 100 |
| Pressure (kgf/cm²) | 210 | 280 | 210 | 280 | |
Unit Dimension of the combination pump
A10VO + A10VO
| Model | Model | Model | Model | Model | Model | |||||||||||||||
|---|---|---|---|---|---|---|---|---|---|---|---|---|---|---|---|---|---|---|---|---|
| A1 | A2 | A3 | A4 | A1 | A2 | A3 | A4 | A1 | A2 | A3 | A4 | A1 | A2 | A3 | A4 | A1 | A2 | A3 | A4 | |
| A10VO 18 | 165 | 204 | 49 | 99 | 84 | 229 | 374 | 424 | 217 | 267 | 412 | 462 | 275 | 338 | 483 | 533 | 275 | 350 | 95 | 545 |
| A10VO 28 | 165 | 204 | 369 | 398 | 184 | 229 | 394 | 423 | 217 | 267 | 432 | 461 | 275 | 338 | 503 | 532 | 375 | 350 | 515 | 544 |
| A10VO 45 | - | - | - | - | 184 | 229 | 413 | 448 | 217 | 267 | 451 | 486 | 275 | 338 | 522 | 557 | 275 | 350 | 534 | 569 |
| A10VO 71 | - | - | - | - | - | - | - | - | 217 | 267 | 484 | 524 | 275 | 338 | 555 | 595 | 275 | 350 | 567 | 569 |
| A10VO 100 | - | - | - | - | - | - | - | - | - | - | - | - | 275 | 356 | 631 | 673 | 275 | 368 | 643 | 685 |
| A10VO 140 | - | - | - | - | - | - | - | - | - | - | - | - | - | - | - | - | 275 | 368 | 643 | 685 |
CHARACTERISTICS
CIRCUIT DIAGRAM
CIRCUIT DIAGRAM
| San Involute Spline (A) | ||
| Flat Route Side Fit | ||
| San J498B, Class 1 | ||
| TOOLS | Pitch | 12/14 |
|---|---|---|
| Pressure Angle | 30º | |
| NO. Of Teeth | 14 | |
| Major DIA | Ø31.22 0 -0.13 | |
| Minor DIA | Ø26.99 0 -0.33 | |
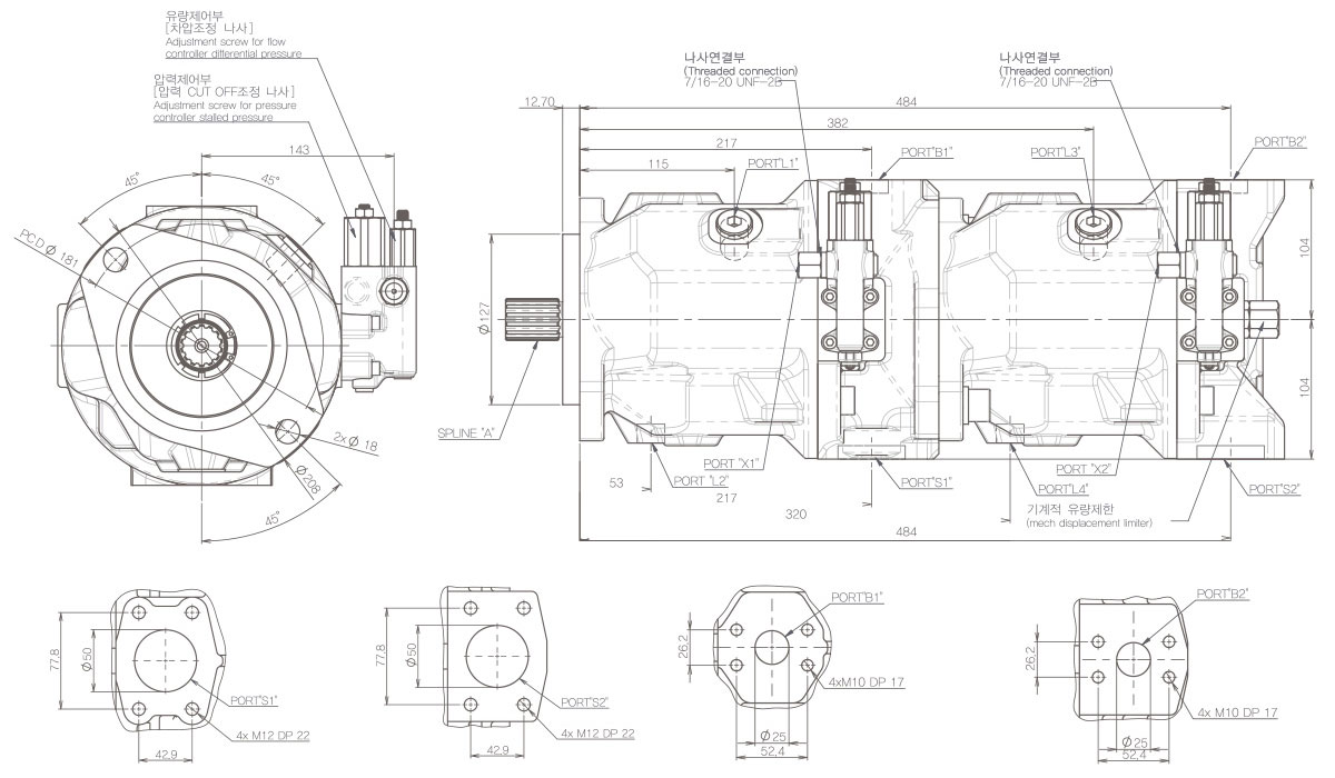
PORT SIZE
| Port | Title | Configuration |
|---|---|---|
| B1,B2 | Output | Sae 1'' |
| S1,S2 | Input | Sae 2'' |
| L1,L2,L3,L4 | Drain | M22X1.5P |
| X1,X2 | Pilot | M14X1.5P DP12 |