
SERIES
SIZE
Displacement
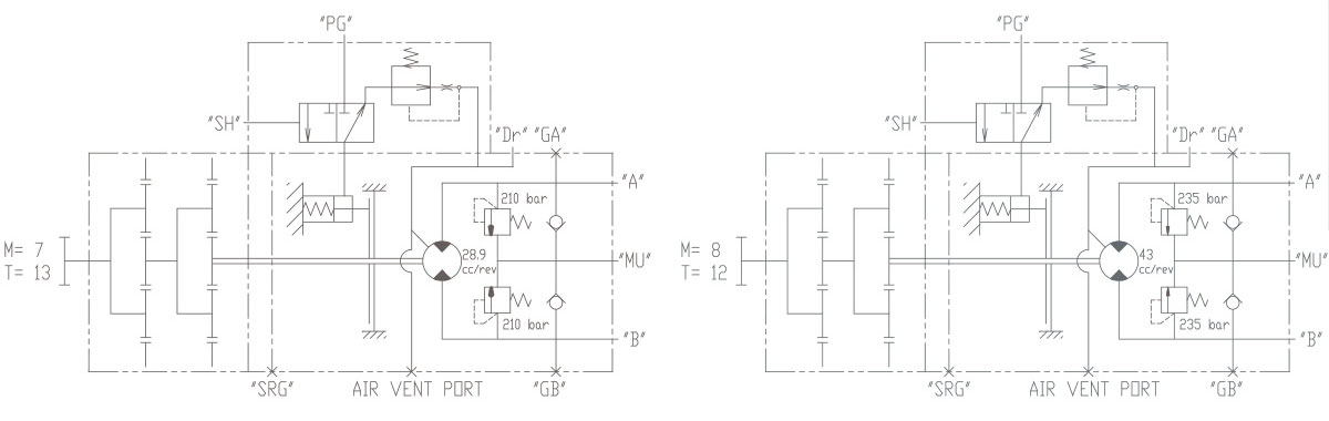
28.9cc2933.0cc3343cc43
Option Valve
BlankWith outSWithReduction Gear & Torque
SPECIFICATIONS
| Model | REDUCTION GEAR RATIO | GEAR SPEC | Displacement (cc/rev) | Max. output torque (kgf.m[kN.m]) | Relief Valve (kgf/cm²[Mpa]) | |
|---|---|---|---|---|---|---|
| MODULE | NO OF TOOTH | |||||
| KMS29 | i=19.464 | 7 | 13 | 28.9 | 215[2105] | 210±5[20.6] |
| KMS43 | i=19.464 | 8 | 12 | 43 | 293[2873] | 235±5[23.0] |
CHARACTERISTICS
CIRCUIT DIAGRAM

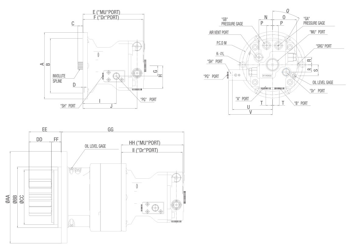
DIMENSIONS

PORT SIZE
| Port Size | Description | Port |
|---|---|---|
| PF 1/2 | O-ring Type | A,B |
| PF 3/4 | O-ring Type | Type MU |
| PF 3/8 | O-ring Type | Air Vent,DR |
| PF 1/4 | O-ring Type | GA,GB,SH,PG |
| PT 1/2 | - | SRG |
| PT 1/4 | - | Level Gage |
DIMENSIONS
| Division | A | B | C | D | E | F | G | H | I | J | K |
|---|---|---|---|---|---|---|---|---|---|---|---|
| 5~7 ton | 224.0 | 184.0 | 17.3 | 4.0 | 207.0 | 203.5 | 35.0 | 77.0 | 113.0 | 183.0 | 6.0 |
| 8~10 ton | |||||||||||
| Division | L | M | N | O | P | Q | R | S | T | U | V |
| 5~7 ton | 18.0 | 203.0 | 46.0 | 81.0 | 20.0 | 30.0 | 25.0 | 37.0 | 23.0 | 168.0 | 149.0 |
| 8~10 ton | |||||||||||
| Division | AA | BB | CC | DD | EE | FF | GG | HH | II | ||
| 5~7 ton | 303 | 200 | 180 | 73.5 | 98.2 | 31.5 | 406 | 207.0 | 203.5 | ||
| 8~10 ton | 106.5 |